
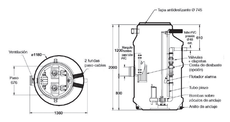
Equipo compacto automático para la recogida y evacuación de aguas residuales no agresivas del sector doméstico, civil e industrial. Equipo formado por un depósito en polietileno reforzado para evitar la corrosión, dos bombas y los accesorios necesarios para su funcionamiento automático. Superficie interior lisa que evita los depósitos y facilita la limpieza.
Indicado su uso en zonas donde el alcantarillado se encuentre en un nivel superior, en aplicaciones residenciales, hoteles, restaurantes y edificios en general.
Equipo compacto personalizado preparado para trabajar con un gran volumen de aguas residuales.











© Bombas Nass